Skip to main content

[18+] Suzuki Motorcycle Wiring Diagram, 1987 Suzuki Quadrunner 250 Wiring Diagram

Suzuki Motorcycle Wiring Diagram Wiring Diagram Suzuki Colour 1979 Spec 1981 Usa Recommend Compare Question Ask Loom Kojaycat

Wiring suzuki diagram dr650 electrical dr350s diagrams

Wiring diagram suzuki 2003 sv1000 motorcycle lt160 diagrams source. Wiring motorcycle repairmanual suz. Motorcycle wiring diagrams – evan fell motorcycle works. 500 suzuki ideas

500 Suzuki ideas | suzuki, diagram, motorcycle wiring

500 Suzuki ideas | suzuki, diagram, motorcycle wiring

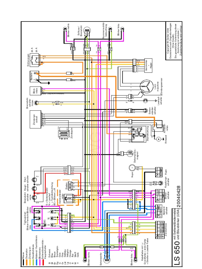
Suzuki DR350S Electrical Wiring Diagram | All about Wiring Diagrams

Suzuki DR350S Electrical Wiring Diagram | All about Wiring Diagrams

Suzuki Wiring Diagram Pics - Wiring Diagram Sample

Suzuki Wiring Diagram Pics - Wiring Diagram Sample

Suzuki GS425N GS450S 1981 USA Spec Colour Wiring Loom Diagram

Suzuki GS425N GS450S 1981 USA Spec Colour Wiring Loom Diagram

Pin by phyllis on Suzuki | Suzuki, Diagram, Motorcycle wiring

Pin by phyllis on Suzuki | Suzuki, Diagram, Motorcycle wiring

Comments

Popular posts from this blog

[49+] Art Contemporain - Drones, Furry Comic, Epic Art, Art Drawi..

How Camels Become Lions [Full Movie]∥: How Camels Become Lions Movie

∷How Camels Become Lions [Full Movie]: Detroit Zoo Celebrates Birth Of Baby Bactrian Camel How Camels Become Lions [Full Movie]∥: How Camels Become Lions Movie 〖S.T.r.e.a.m〗 aka ( 2017) "A depiction of the urge for freedom. Through 4 episodes we see 4 family members in a moment when they are tired of being a camel, as a beast of burden. They realise their tasks are meaningless and find themselves in a spiritual desert. The camel wants to become a lion. A spirit that fights against the false values in order to find his own place, his own freedom. Vincent, Renée, Alice and Robin are searching for the strength to undergo this transformation." film genres: Drama.

28 Days Later [Full Movie]♣: 28 Days Later Film

¤28 Days Later [Full Movie]: 28 Days Later 2002 Photo Gallery Imdb 28 Days Later [Full Movie]♣: 28 Days Later Film 〖OnLine.〗 aka (28 Days Later..., 28 Tage später 2002) "Twenty-eight days after a killer virus was accidentally unleashed from a British research facility, a small group of London survivors are caught in a desperate struggle to protect themselves from the infected. Carried by animals and humans, the virus turns those it infects into homicidal maniacs -- and it's absolutely impossible to contain." film genres: Horror, Thriller, Science Fiction.